
是采用进口电阻应变片高温固化于金属表面,精密补偿技术设计生产的高精度、高稳定性、高阻抗应变式称重传感器,用于一些通用型及民用性产品的压力测量与控制。
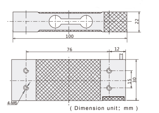
采用铝合金材质,无色阳极化、平行梁结构
环保硅胶密封
防护等级:IP65

适用于电子计价秤、计重秤等小台面电子秤
自动售卖柜称重
广泛应用于静态称重和动态低频测量
工业自动化设备测力
| 规格参数Specifications | |
| 参数Specifications | 技术指标/technique |
| 量程Capacity | 3-100kg |
| 综合误差Comprehensive error | ±0.03%F.S |
| 精度等级Precision | C2 |
| 灵敏度Rated Output | 2.0±10%mV/V |
| 零点输出Zero Balance | ±3.0%F.S |
| 非线性non Linearity | ±0.02 %F.S |
| 滞后Hysteresis | ±0.02 %F.S |
| 重复性Repeatability | ±0.02 %F.S |
| 蠕变Creep | 0.02%F.S/10min |
| 温度灵敏度漂移Temp Effect On Output | 0.02%F.S/10℃ |
| 零点温度漂移Temp Effect On Zero | 0.02%F.S/10℃ |
| 输入阻抗Input Impedance | 405±5Ω |
| 输出阻抗Output Impedance | 350±5Ω |
| 绝缘电阻Insulation | ≥5000MΩ/100V |
| 推荐激励电压Recommended Excitation | 10-15V(DC) |
| 温度补偿范围Compensated Temp Range | -10-60℃ |
| 工作温度范围Operation Temp Range | -20-60℃ |
| 安全过载Safe Overload | 150%F.S |
| 极限过载Ultimate Overload | 200%F.S |
| 电缆线尺寸Cable Size | Ø5x420mm(可定制) |

接线方式: