
产品型号:ADL611CD
微型称重传感器主要由铝合金弹性元件、电阻应变计、传输线组成用于一些通用型及民用性产品的压力测量与控制,
产品特点:
采用铝合金材质,无色阳极化、平行梁结构
具有精度高、寿命长、结构简单
结构简单、频响特性好
安装示意图:
产品应用:
适用于手掌秤、厨房秤、邮政秤
钓鱼秤、婴儿秤、宠物喂食器
工业自动化设备测力
技术参数:
|
规格参数Specifications |
|
|
参数Specifications |
技术指标/technique |
|
量程Capacity |
1-30kg |
|
综合误差Comprehensive error |
±0.05 %F.S |
|
精度等级Precision |
C1 |
|
灵敏度Rated Output |
1.0±0.15mV/V |
|
零点输出Zero Balance |
±0.1 mV/V |
|
非线性non Linearity |
±0.05%F.S |
|
滞后Hysteresis |
±0.05 %F.S |
|
重复性Repeatability |
±0.05%F.S |
|
蠕变Creep |
0.05%F.S/3min |
|
温度灵敏度漂移Temp Effect On Output |
0.05%F.S/10℃ |
|
零点温度漂移Temp Effect On Zero |
0.2%F.S/10℃ |
|
输入阻抗Input Impedance |
1000±10Ω |
|
输出阻抗Output Impedance |
1000±10Ω |
|
绝缘电阻Insulation |
≥2000MΩ |
|
推荐激励电压Recommended Excitation |
3-10V(DC) |
|
温度补偿范围Compensated Temp Range |
-10-40℃ |
|
工作温度范围Operation Temp Range |
-20-60℃ |
|
安全过载Safe Overload |
120%F.S |
|
极限过载Ultimate Overload |
150%F.S |
|
材料Materials |
铝合金/Aluminum Alloy |
|
防护等级Defend grade |
IP65 |
|
外感器外形尺寸dimensions of the sensor | 58*12.7*12.7 |
|
安装孔尺寸Installation hole dimensions |
4-M4 |
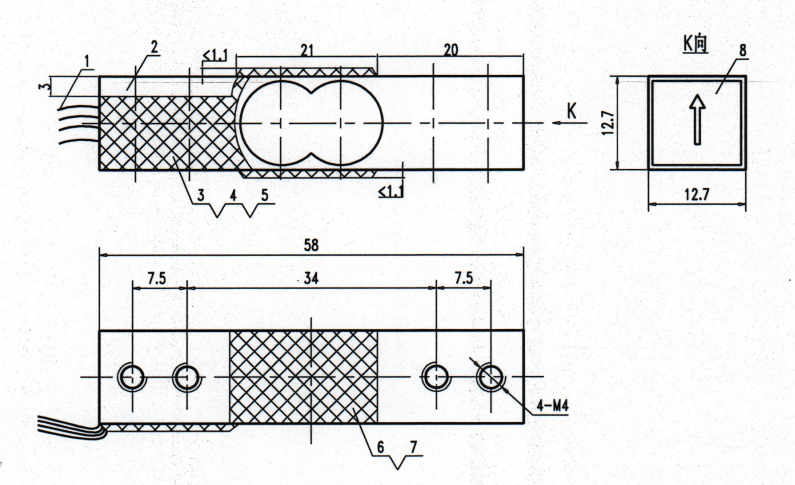
产品尺寸图:
接线方式: