ADL203

| 轮辐式称重传感器 | ||
产品型号:ADL203 是采用进口电阻应变片高温固化于金属表面,精密补偿技术设计生产的高精度、高稳定性、应变式称重传感器,用于一些通用型及民用性产品的压力测量与控制 | ||
产品特点 Ø本产品采用合金钢或不锈钢材质制造。胶密封处理,表面镀镍, 适用于多种工作环境,结构简单,安装方便。 产品应用 Ø该产品适用于汽车衡、轨道衡、料斗秤等其它电子称重设备。 Ø广泛应用于静态称重和动态低频测量 Ø工业自动化设备测力 | ||
受力方向
| ||
技术参数 | Specifications | |
| 规格参数 | Specifications | 技术指标/technique |
| 量程 | Capacity | 1 ~30t |
| 综合误差 | Comprehensive error | ±0.03%F.S |
| 精度等级 | Precision | C2、C3 |
| 灵敏度 | Rated Output | 2.0±0.01mV/V |
| 零点输出 | Zero Balance | ±1.5%F.S |
| 非线性 | non Linearity | ±0.03%F.S |
| 滞后 | Hysteresis | ±0.03%F.S |
| 重复性 | Repeatability | ±0.03%F.S |
| 蠕变 | Creep | ±0.023 & ±0.016% FS/30min |
| 温度灵敏度漂移 | Temp Effect On Output | ±0.017 & ±0.011% FS/10℃ |
| 零点温度漂移 | Temp Effect On Zero | ±0.029 & ±0.019% FS/10℃ |
| 输入阻抗 | Input Impedance | 700±10Ω |
| 输出阻抗 | Output Impedance | 700±5Ω |
| 绝缘电阻 | nsulation | ≥5000MΩ/100V |
| 推荐激励电压 | Recommended Excitation | 10-15V(DC) |
| 温度补偿范围 | Compensated Temp Range | -10-60℃ |
| 工作温度范围 | Operation Temp Range | -20-60℃ |
| 安全过载 | Safe Overload | 150%F.S |
| 极限过载 | Ultimate Overload | 200%F.S |
| 电缆线尺寸 | Cable Size | Ø5x5000mm |
| 防护等级 | Defend grade | IP66&IP68 |
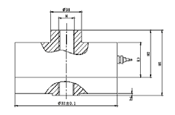
产品尺寸
| ||
接线方式
| ||